所属分类:直流无刷电机驱动器
所属系列:常规系列
更新日期:2019-10-11


品牌:艾思控 型号:AQMD2408BLS-M 电压范围:9-24V 额定电流:8A 最大电流:16A(倍流)/10A(非倍流) 控制信号:电位器、模拟量、PWM、脉冲、频率、开关、RS485 调速方式:占空比、闭环调速、位置控制、力矩控制 适用电机:直流有感无刷电机 最大匹配电机:12V-45W, 24V-130W |
|
AQMD_BLS系列电机驱动器使用先进的电机电流精确检测技术、有感无刷电机自测速、有感无刷电机转动位置检测、再生电流恒电流制动与加速度控制技术和PID调节技术可完美地控制电机平稳正反转、换向及制动,输出电流实时调控防止过流,精准控制电机转速和转动位置,电机响应时间短且反冲力小。 | |

| ◆ 电压范围9~24V,额定电流8A,最大电流16A; ◆ 电位器、0~3.3V模拟信号、0/3.3/5/24V逻辑电平、开关量、PWM、频率、脉冲、RS485多种输入信号; ◆ 占空比调速、转矩控制(稳流)、速度闭环控制(稳速)、位置闭环控制(角度/距离控制)多种调速方式; ◆ 支持加减速缓冲时间与加减速加速度控制,可在指定行程内自动加减速并精确定位; ◆ 电机电流PID调节,最大启动/负载电流、制动(刹车)电流可分别配置;电机过载/堵转限流停转; ◆ 支持驱动器内部温度检测,可配置过热保护温度; ◆ 支持倍流输出,启动、大负载时可大力矩输出; ◆ 支持驱动器电源电压监测,可配置过压/欠压关断检测值; ◆ 支持电机转速测量,电机堵转检测;支持外接限位开关限位和堵转限位; ◆ 支持电机相序学习;支持霍尔错误保护、故障报警; ◆ 485 共模电压保护,支持多站点通讯,方便多种控制器(如单片机、PC机或PLC)控制,支持通讯中断停转保护; ◆ 极小的PWM死区,仅0.5us,PWM有效范围0.1%~100%; ◆ 18kHz的PWM频率,电机调速无PWM嚣叫声; ◆ 使用ARM Cortex-M3/M4处理器。 |

| 电机的三电源线或三霍尔信号线,可不按顺序与驱动器连接,只需一键操作,对电机霍尔顺序进行学习,通过对电机6次换向控制后学习即完成,电机方可正常驱动。 |

| 支持电位器、模拟量、PWM/频率/脉冲、485多种控制信号,支持电机开环调速、闭环调速、位置控制、力矩控制多种工作模式。 |

| 支持倍流输出,从而实现至多2倍额定力矩启动和2倍额定力矩超载运行;可设定倍流时间,防止电机长时间超载运行而损坏;同时,驱动器对内部温度实时监控,当温度达到设定值时,禁用倍流或关断输出,从而保护驱动器。 |

| 驱动器时间-位置闭环调速算法可使电机在低速运行时刚性强,低至60RPM转速也可大力矩闭环调速控制。 |

| 驱动器可根据给定的加速度和最大速度控制普通无刷电机做位置控制。 |

| 对于常规的运动过程控制,可通过一段自定义过程脚本实现运动过程逻辑控制,从而省掉PLC这样的逻辑控制器。 |

| 电压、电流、温度实时监控,过热、过流、堵转、异常大电流、485共模电压保护多重保护,驱动器工作更稳定可靠。 |


注:配常规减速机后本驱动器可实现1mm或1度精度的定位控制。

注:额定电流为常温常规通风环境长时间限流堵转后功率管附近温度不超过85℃的电流。

1. 单电位器占空比/闭环调速点动控制的接法

| 点动控制方式使用电位器调速的工作过程为:按下B1,电机正转,使用电位器调速;B1弹起,电机停止;当正转限位后电机停止,再按B1无效;按下B2,电机反转,使用电位器调速;B2弹起,电机停止;当反转限位时电机停止,再按B2无效。 |
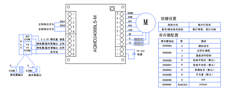
2. PLC模拟信号占空比/闭环调速的接法

| 此接法的工作过程为:IN1与PLC的AO端口连接,用于调速;IN2与PLC的Y2,控制电机方向;IN3与PLC的Y1连接,控制电机紧急停止。 |
3. 单片机PWM信号占空比/闭环调速的接法

| 此接法的工作过程为:单片机的电源地接驱动模块的COM口;IN1脚接单片机的PWM的输出,用于调速;IN2和IN3与单片机的两个IO相连,控制电机正反转及紧急制动。 |
4. 单片机脉冲信号位置控制的接法

| 此接法的工作过程为:单片机的电源地接驱动模块的COM口;IN1与单片机的IO1相连,来确定脉冲的个数,用于电机位置控制;VO与单片机的IO0相连,用于完成信号控制;IN2和IN3与单片机的两个IO相连,控制电机正反转及紧急制动。 |
5. 485多站点控制的接法

| 每台驱动器的485通讯线按A-A、B-B的方式并联后跟一台485主站相连,485主站通过驱动器配置的从站地址来对每台驱动器独立操作。每一个驱动器配置的地址应唯一,不能与其它驱动器重复。 |
提供PC机示例程序,可用来配置参数、调试电机或二次开发。


AQMD_BLS系列直流有感无刷电机驱动器选型表
