所属分类:直流有刷电机驱动器
所属系列:伺服定位系列
更新日期:2023-05-08

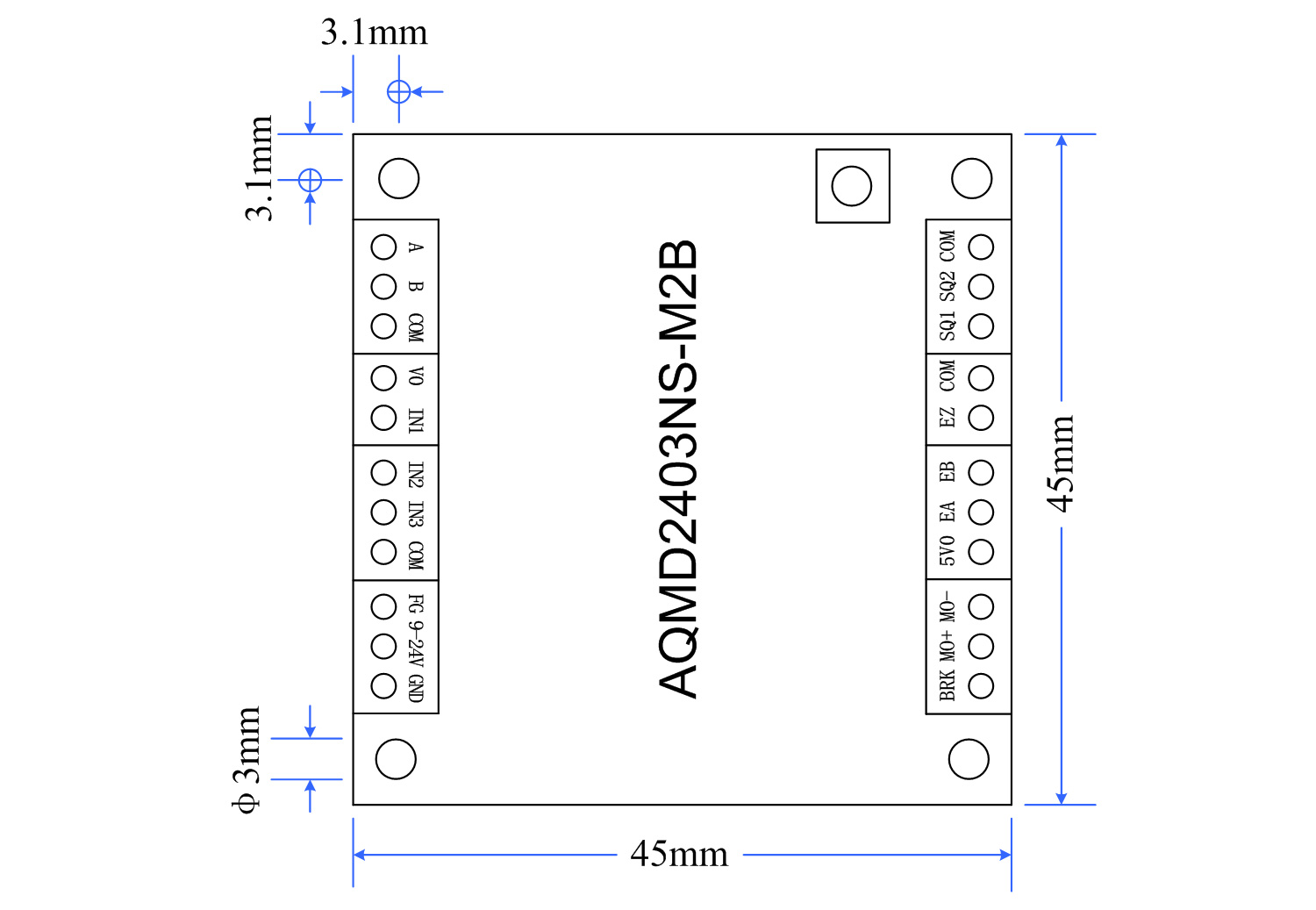
品牌:艾思控 型号:AQMD2403NS-M2B 电压范围:9-24V 额定电流:3A 最大电流:6A(倍流)/4A(非倍流) 控制信号:电位器、模拟量、PWM/频率/脉冲、开关/按键、RS485 调速方式:占空比、力矩控制、自测速/外接测速闭环调速、外接编码器位置控制 适用电机:直流有刷电机 最大匹配电机:24V-50W, 12V-18W |
|
| AQMD_NS-M2B系列电机驱动器使用先进的电机回路电流精确检测技术、直流有刷伺服电机实时速度和位置检测技术、再生电流恒电流制动(或称刹车)技术和强大的PID调节技术,可完美地控制电机启动、制动(刹车)、换向过程和堵转保护。电机响应时间短,且反冲力小;位置控制精准迅速;输出电流实时监控防止过流,有效保护电机和驱动器。 | |

◆ 电压范围9~24V,额定电流3A,最大电流:6A(倍流)/4A(非倍流); |

| 支持电位器、模拟量、PWM/频率/脉冲、485多种控制信号,支持电机开环调速、自测速/外接测速闭环调速、外接编码器位置控制、力矩控制多种工作模式。 |

开环调速:占空比调速,最普通的调速方式,具有响应快、调速操作简单的特点。 |
| 驱动器先进的伺服定位算法可控制电机根据给定的加速度和最大速度按照牛顿运动定律在高低速运行情况下均能精准定位。 |

| 支持倍流输出,从而实现至多2倍额定力矩启动和2倍额定力矩超载运行;可设定倍流时间,防止电机长时间超载运行而损坏;同时,驱动器对内部温度实时监控,当温度达到设定值时,禁用倍流或关断输出,从而保护驱动器。 |

| 驱动器支持自测速闭环调速和外接测速发电机/编码器/脉冲反馈信号闭环调速。使用自测速稳速控制方式,对于空载电流大于0.5A的电机,无需测速装置,本驱动器也可实现稳速。 |

驱动器支持外接编码器闭环调速和位置控制。外接编码器闭环控制方式具有稳速和定位响应快、精度高、刚性强的特点。

| 支持正反转限位,支持点动和长动两种操作方式控制电机手动机械装置在固定区间内往复运动,也可通过设定正反转速度将正反转速度保持到驱动器中,从而省掉外接电位器。 |

| 对于常规的运动过程控制,可通过一段自定义过程脚本实现运动过程逻辑控制,从而省掉PLC这样的逻辑控制器。 |

| RS485共模电压保护,防止电源地线瞬间大电流导致的电位不等或电源地线松脱等问题损坏通讯接口。 |

| 说明: 若485发送端和接收端收发器共大地或共电源地,则发送端地线1和接收端地线2间存在大地阻抗或导线阻抗Rg,相距较远的大地存在地电势差,连接485收发端地线的导线上存在瞬间大电流时也将产生瞬间的势差,发送端和接收端地线上的产生的电压Vc就是485共模电压。若发送端的信号电压为Vs,则接收端的信号电压为Vc+Vs,这可能导致无法正常识别信号;若Vc+Vs的电压超过485接口的耐压,则可能导致485收发电路损坏。 而本款驱动器具有485共模电压保护功能,可解决共模电压损坏485接口电路问题。 |
| 电压、电流、温度实时监控,过热、过流、堵转、异常大电流保护、RS485共模电压保护多重保护,驱动器工作更稳定可靠。 |



注:额定电流为常温常规通风环境长时间限流堵转后功率管附近温度不超过85℃的电流。
1. 单电位器占空比调速点动控制的接法

| 点动控制方式使用电位器调速时需将触发方式配置为点动方式,工作过程为:按下B1,电机正转,使用电位器调速;B1弹起,电机停止;当正转限位后电机停止,再按B1无效;按下B2,电机反转,使用电位器调速;B2弹起,电机停止;当反转限位时电机停止,再按B2无效。 |
2. 双电位器占空比调速的接法

| 此接法可实现使用电位器对电机正反转分别调速,通过开关控制电机使能和切换电机转动方向,通过限位开关对正反转限位。 |
3. PLC模拟量自测速闭环调速方式的接法

| 此接法可实现通过PLC模拟量对电机调速,通过继电器/晶体管切换电机转动方向,通过限位开关对正反转限位。当模拟量AO电压值为0V 时,电机停转;当AO电压值为0~10V 时,输出换向频率与AO 电压值成正比。通过频率反馈调节电流大小,实现稳速。 |
4. 单片机PWM信号外接编码器闭环调速的接法

| 此接法的工作过程为:单片机的电源地接驱动模块的COM口;IN1脚接单片机的PWM的输出,用于调速;IN2和IN3与单片机的两个IO相连,控制电机正反转及紧急制动。编码器EB、EA接编码器B、A,COM接增量编码器的电源负极;5V0接增量编码器的电源正极;作为脉冲反馈信号。 |
5. 单片机脉冲信号外接编码器位置控制的接法

| 此接法通过脉冲信号对电机进行位置控制。IN1 接脉冲信号控制电机步进量,步进量=输入脉冲个数×脉冲信号倍率;IN2 控制步进方向;IN3 控制电机紧急停止;EB、EA接编码器B、A,COM接增量编码器的电源负极;5V0 接增量编码器的电源正极。 |
6. 预设正反转速度自保控制的接法

| 此自保触点控制方式的工作过程为:按一下B1,电机正转,按一下B3或直到正转限位开关触发电机才停止,也可以按一下B2让电机反转;按一下B2,电机反转,按一下B3或直到反转限位开关触发电机才停止,也可以按一下B1让电机正转;B3为强行停止按键。在运动过程,无论电机正转或反转,均可通过按下强行停止按键B3使电机停转。 如果环境干扰较大,可在AI1与COM及AI2与COM之间各并联一个104的电容。如果使用蓄电池给驱动器供电,建议在电源接口串联一只10A的保险丝。 |
7. 485多站点控制的接法

| 每台驱动器的485通讯线按A-A、B-B的方式并联后跟一台485主站相连,485主站通过驱动器配置的从站地址来对每台驱动器独立操作。每一个驱动器配置的地址应唯一,不能与其它驱动器重复。 |
提供PC机示例程序,可用来配置参数、调试电机等。


AQMD_NS-M2B/AQMD_NS-E2B系列直流有刷电机驱动器选型表
